With homebuilt planes, we are often left to make decisions about design, aesthetics or component selection with very little guidance. Many will say if it worked before, then it will work again, but with little data to back it up. Others will recommend that you buy the whizbang-shiny-gold-anodized thing in the catalog and tell you airplanes aren’t cheap.
That second explanation seems more popular these days as homebuilts transition from the hot-rod-minded blue-collar style of Bernard Pietenpol and Burt Rutan to highly capable machines using many expensive, certified parts. It reminds me of when people say, “Oil changes are cheap, so why not change the oil [too] often?” I don’t know where you’re getting your oil and filters but I never understood that logic either.
Let’s get back to the topic at hand: alternators. Specifically, let’s look at the Denso automotive alternator that has set aviation forums ablaze while powering millions of cars around the world for decades at a time.

Integration basically comes down to the electrical connections, mechanical connections and any special considerations like redundancy or safety (insert heated forum discussion here). I’d like to cover what may seem like the simplest: the mechanical connections.
Research
The alternator uses a pretty straightforward mount. In fact, my engine came with a mount that puts the pulley in the right location, perfect. This particular unit with the stamped steel bracket attached can be located as an OEM replacement for a 1986 Suzuki Samurai (BBB Industries N14684).
Next is the belt connection, or pulley. Once again, I am not immune to the gravitational pull of forum rabbit holes and my searches revealed sparse accounts of premature bearing failures and even fewer regulator failures for these alternators. More searching found one or two instances of machining a custom pulley, but no dimensions were given.

I researched further into these Denso alternators and found the recommended max operating rpm to be around 9000 and that full current output (60 amps in this case) occurs at around 5000 rpm. It should be noted that Denso advertises a torture test that cycles between 0-22,500 rpm. Some hand calculations based on automotive pulley sizes reveal that 5000 rpm at the alternator occurs when automotive engines reach 2000-2500 rpm due to the crankshaft pulley measuring about twice the diameter of the alternator pulley, roughly speaking. This all makes sense and perfectly matches the application. The alternator will spend most of the time near full current output during normal driving while being limited to short bursts at higher rpm and short periods at idle.

Now just like any component we source for a homebuilt plane, we should always ask if we are using it “outside the envelope” of its original design. For the alternator, it follows that we must now calculate the operating speed for a Lycoming installation.
We will use the simple pulley formula: Take the diameter of the flywheel or starter ring gear divided by the diameter of the alternator pulley multiplied by engine speed at the ring gear. For my Lycoming O-320, that’s 9.75 inches (the diameter of the starter ring gear where the belt rides) divided by 2.75 inches (diameter of the Denso pulley) multiplied by 2500 (a typical cruise rpm for the Lycoming). The result is 8864 rpm at the alternator.
This means the alternator will be spinning near its max rpm, but continuously. The alternator will work just fine here; bearing operating limits are very well understood, and you can even plug these conditions into an online bearing calculator to estimate the bearing life. From my perspective, this operating condition means two things relative to the automotive installation case: shorter bearing life and more heat generated in the alternator. Let’s solve both of these with a new pulley.
If you look around at aviation alternators based on this design, you’ll notice visually the difference in pulley size compared to the original automotive one.

My Design
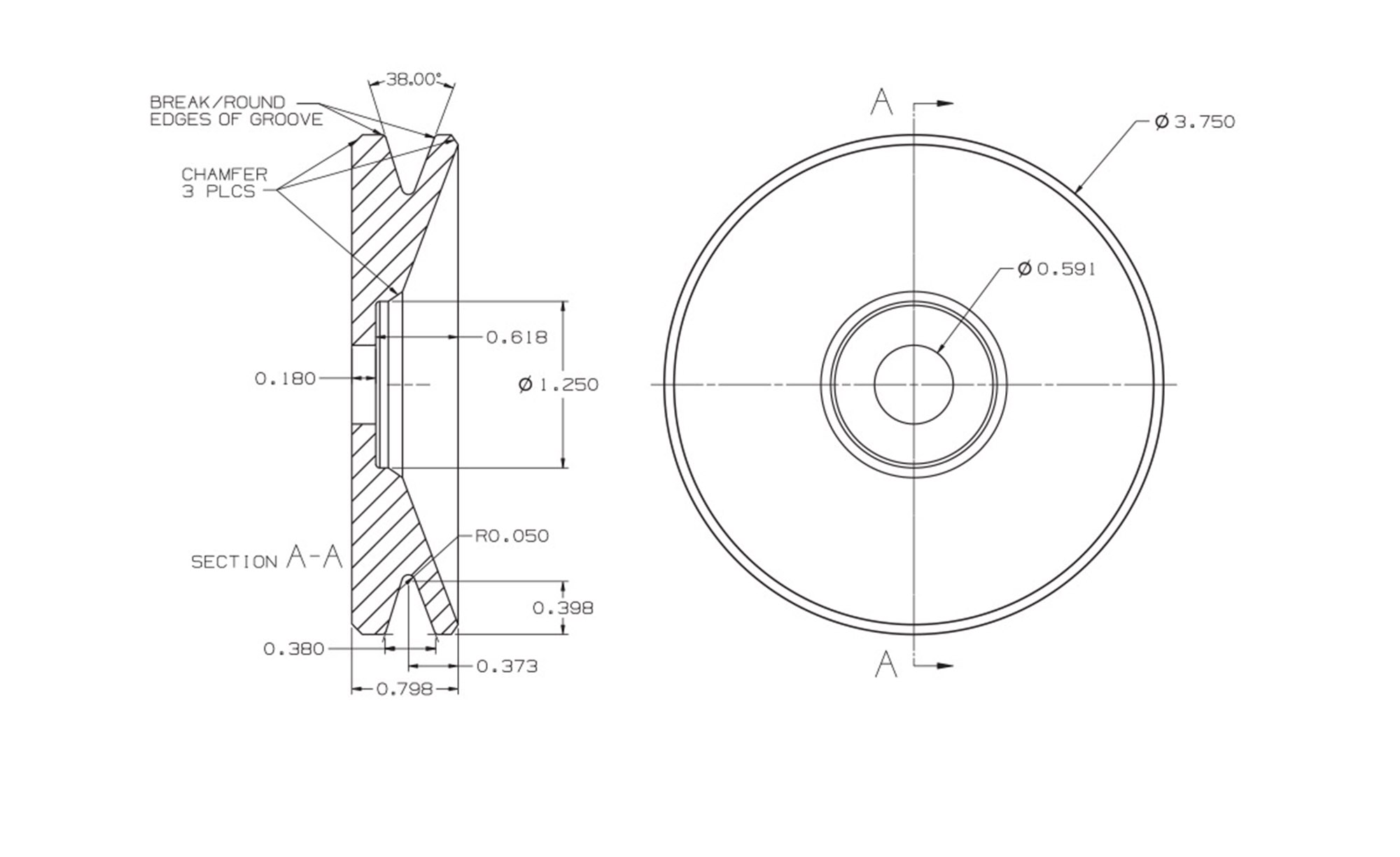
I decided to shoot for a more moderate 6500 rpm for the alternator in cruise flight. Some quick math determined the pulley must be 3.75 inches diameter to achieve this.
I designed the back flat and left the maximum thickness on the bolted interface while ensuring proper nut engagement. Make sure the counterbore is large enough for the socket, not just the nut. One variable that was a challenge to determine was the included angle of the pulley groove. Various sources report numbers from 34° to 40° for standard V-belt pulleys. I settled on 38° as a compromise.
This turned out to be a pretty simple lathe project: bore, counterbore and use the compound for the angles (a form tool of this size risks causing chatter in a plunge cut).

The Results
The pulley looks great, should be plenty strong being from 6061-T6 and will drop the rpm as desired. If during testing I find I am completely wrong and decide the current output is not enough in cruise or at idle, then a slightly smaller pulley can make the compromise. The last step is to drop it off for gold anodizing, which I need for, uh, corrosion protection. Nothing to do with fancy appearances, I assure you.













Interesting, I’ve had a 40 amp denso on my O320 TriPacer for over 10 years and so far no problem. Yep I got a field approval for it back in the day. I believe it started out on a Kabota tractor. I may use your design and change the pullet though.
Hey Frank, just make sure you check the pulley diameters and do the math since some Lycoming pulleys are smaller, and alternators definitely come with a variety of pulleys.
A basic question, my 40 amp Denso is pushing out up to 15v at 2300rpm on the IO-360 Engine, which seems a little high to me. I have been told by an automotive engineer the limits are 14.1 to 14.3v and that the alternator does not have a internal regulator, is this doing damage to the battery?
An alternator’s output voltage is controlled by the voltage regulator independent of alternator RPM . . . within LIMITS. There are two numbers that define alternator performance (1) minimum speed for regulation; the speed at which the alternator is just able to become ‘controlled’ by the regulator. It won’t deliver any energy at this speed. (2) minimum speed for full output; the speed at which the alternator will deliver nameplate current under specified conditions for cooling. It follows that a pulley ratio that will make minimum speed for full output at the lowest practice cruising RPM would allow you to fully exploit the alternator’s capability.
However, you might also wish to have some minimum output available during taxi . . . perhaps not full output but some nominal value that supports electrical loads during typical ground ops. This would dictate a smaller pulley than the ideal size for (2) cited above.
As a general rule, alternators on aircraft are not at risk for ‘turning too fast’ . . . hence, many alternators offered to the owner built and maintained community are fitted with pulleys that appear ‘too small’ while in fact, enhanced electrical system support during ground ops is realized without compromising alternator service life.
Having an accurate voltmeter in your airplane is a good thing . . . should you note that bus voltage drops below 13.8 during typical ground ops (LoVolts Warn threshold is 13.5), perhaps a smaller pulley is called for. The voltages you cited (14.1 to 14.3) are operating design points controlled by the regulator that have everything to do with battery support.
Alternator speed design is usually selected for turn on speed to be below low idle RPM. Then calculated to be within the max RPM limit established by the alternator manufacturer.
A good technical reason for the anodizing is a harder surface to reduce belt wear. Now – the color is purely a cosmetic choice!
Great article, thanks.
Comments are closed.