Facebook
Twitter
Youtube
Home
Magazine
Flight Reports
Builder Spotlight
Exploring
Shop Talk
Designer’s Notebook
Digital Edition
SUBSCRIBE
Contact Us
Customer Service
Reset Password
Guidelines for Writers
Advertise with Kitplanes
Newsline
News
Industry News
Kneeboard Notes
Video
Builders
Homebuilder’s Portal
Completions
Build Series
Resources
Aircraft Buyer’s Guide
Buying a Used Homebuilt
Engines
Avionics
Propellers
Products
Unairworthy!
Shop
Search
Facebook
Twitter
Youtube
Reset Password
Subscribe
My account
Free Newsletter
Advertise
Give a Gift
Sign in
Welcome! Log into your account
your username
your password
Forgot your password? Get help
Privacy Policy
Password recovery
Recover your password
your email
A password will be e-mailed to you.
KITPLANES
Home
Magazine
Flight Reports
Builder Spotlight
Exploring
Shop Talk
Designer’s Notebook
Digital Edition
SUBSCRIBE
Contact Us
Customer Service
Reset Password
Guidelines for Writers
Advertise with Kitplanes
Newsline
News
Industry News
Kneeboard Notes
Video
Builders
Homebuilder’s Portal
Completions
Build Series
Resources
Aircraft Buyer’s Guide
Buying a Used Homebuilt
Engines
Avionics
Propellers
Products
Unairworthy!
Shop
Home
Tags
Electrical
Tag: electrical
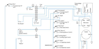
Create Your Electrical Schematic with Wiring Planner
Omar Filipovic
-
July 24, 2025
0
Taming the Wiring Rat’s Nest
Lisa Turner
-
May 16, 2025
0
A History of Aircraft Wiring Insulation
Jim Weir
-
May 14, 2025
0
Denso Alternator Homemade Adaptation
Troy Zawlacki
-
April 16, 2025
5
Reverse Engineering Heated Seats
Paul Dye
-
February 6, 2025
3
Wire You Surprised?
Jim Weir
-
January 25, 2025
3
Dummy Loads
Paul Dye
-
January 24, 2025
2
Easy Servo Wiring Trick
Paul Dye
-
January 21, 2025
0
Twelve Volts Anywhere, Anytime
Paul Dye
-
September 19, 2024
1
CircuitMaker for Aircraft
Jim Weir
-
August 7, 2024
6
1
2
3
...
25
Page 1 of 25
In Case You Missed It
Missing Rivets
Vic Syracuse
-
June 15, 2020
3
This is the root rib on a horizontal stabilizer. The rivets that fasten the...
Firewall Forward: Installing the Firewall
Dave Prizio
-
July 27, 2012
1
Author Dave Prizio describes construction of the firewall itself, including the penetrations and the tools required.
Effect of Propeller RPM on Speed, Efficiency, Noise, and Vibration
Nigel Speedy
-
September 22, 2017
0
Getting better performance from a constant-speed prop.
Van’s Bankruptcy Update, Next Steps
Marc Cook
-
December 20, 2023
12
We interview Clyde Hamstreet, whose company, Hamstreet & Associates, specializes in recovering companies in distress.